基本參數
| 所屬品牌 (Brand) |
TIMKEN(鐵姆肯)公司是全球領先的優質軸承、合金鋼及相關部件 和配件制造商。 |
|
| 軸承類型 (Series) |
寬內圈球軸承 | |
| 軸承型號 (Bearing NO) |
軸承型號 | SMN101KB |
| 鎖環 | SN101K | |
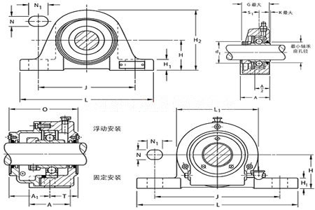
| 基本尺寸 (Basic size) |
內徑 | 26.988 |
| 外徑 | 72 | |
| 厚度(高度) | 36.51 | |
| 基本外圈尺寸 | 306 | |
| 其他尺寸 (Other size) |
B1 | 50 |
| d1 | 49.21 | |
| B2 | 17.46 | |
| C | 19 | |
| S | 17.46 | |
| F/P/M | 43.23 | |
| 其他參數 (Other parameters) |
G | 19.05 |
| L | 4 | |
| F1 | ||
| O | ||
| 額定負載(KN) (Rated loading) |
動態載荷 | 33500 |
| 靜態載荷 | 15600 | |
| 重量 (Mass) |
0.61 | |
| 詳細信息 (Detail) |
SMN101KB軸承,開式B型,寬內圈球軸承,工業系列 | |
推薦型號
軸承H3088 NSK軸承7019CDB TIMKEN E-1994-C 6028-2RS軸承 軸承CR28V INA軸承PBS30 FAG 24188B 5308SCLLD軸承 軸承31315 NTN軸承7003DF INA CSCC040 23072RK軸承 軸承37KLL KOYO軸承624ZZ NTN 562034M NA5918軸承 軸承NACV40X/3AS IKO軸承BAM2824 KOYO NUP326 HC7002-E-2RSD-T-P4S軸承 軸承IR95x105x36 INA軸承D6 SKF NK42/20 7316BDT軸承 軸承6002
軸承H3088 NSK軸承7019CDB TIMKEN E-1994-C 6028-2RS軸承 軸承CR28V INA軸承PBS30 FAG 24188B 5308SCLLD軸承 軸承31315 NTN軸承7003DF INA CSCC040 23072RK軸承 軸承37KLL KOYO軸承624ZZ NTN 562034M NA5918軸承 軸承NACV40X/3AS IKO軸承BAM2824 KOYO NUP326 HC7002-E-2RSD-T-P4S軸承 軸承IR95x105x36 INA軸承D6 SKF NK42/20 7316BDT軸承 軸承6002
軸承用途
打孔機、彩印機、擺線減速機、數碼印刷機、起重機、配頁機、履帶挖掘機、檢驗分析設備、無紡布印刷設備、壓實機械、膠印機、門式起重機、塔吊、破碎設備、工程機械配件、針輪減速機、挖掘機、原水處理設備、逆流式冷卻塔、潷水器、電鍍冷凍機、油煙凈化設備、插片機、干式冷卻塔、電子產品制造設備、消音降噪設備、工裝夾具、制藥設備、剝線機、端子機、
打孔機、彩印機、擺線減速機、數碼印刷機、起重機、配頁機、履帶挖掘機、檢驗分析設備、無紡布印刷設備、壓實機械、膠印機、門式起重機、塔吊、破碎設備、工程機械配件、針輪減速機、挖掘機、原水處理設備、逆流式冷卻塔、潷水器、電鍍冷凍機、油煙凈化設備、插片機、干式冷卻塔、電子產品制造設備、消音降噪設備、工裝夾具、制藥設備、剝線機、端子機、






