基本參數
| 所屬品牌 (Brand) |
日本NSK(恩梯恩 NTN Corporation NTN株式會社) | |
| 軸承類型 (Series) |
調心球軸承 | |
| 軸承型號 (Bearing NO) |
軸承型號 | 1209SK |
| 新型號 | H209X | |
| 舊型號 | 1209SK | |
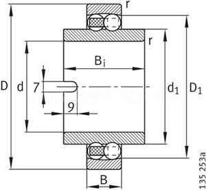
| 基本尺寸(mm) (Basic size) |
內徑 | 40 |
| 外徑 | 65 | |
| 厚度(高度) | 33 | |
| B2 | 11 | |
| 安裝相關尺寸(mm) (Mounting dimensions) |
Da | 78 |
| da | 49 | |
| ras | 1 | |
| db | 57 | |
| S1 | 5 | |
詳細信息 |
1209SK軸承,調心球軸承用緊定套 | |
推薦型號
軸承N2224 NACHI軸承7326DB TIMKEN 304K 30332軸承 軸承HR33220J NTN軸承6920LLU INA BCH2212PV M88048/M88010軸承 軸承3984/3920-B INA軸承RCJTY1-3/16 FAG B7214C.2RSD.T.P4S HC7005-C-2RSD-T-P4S軸承 軸承ML2007 IKO軸承CH30VB NSK 6809N 6211NR軸承 軸承7021CDT TIMKEN軸承ER18 INA K50X55X13,5 QJ218軸承 軸承1309S TIMKEN軸承598/592XS TIMKEN 67389/67322 6214LLB軸承 軸承PAP5025P20
軸承N2224 NACHI軸承7326DB TIMKEN 304K 30332軸承 軸承HR33220J NTN軸承6920LLU INA BCH2212PV M88048/M88010軸承 軸承3984/3920-B INA軸承RCJTY1-3/16 FAG B7214C.2RSD.T.P4S HC7005-C-2RSD-T-P4S軸承 軸承ML2007 IKO軸承CH30VB NSK 6809N 6211NR軸承 軸承7021CDT TIMKEN軸承ER18 INA K50X55X13,5 QJ218軸承 軸承1309S TIMKEN軸承598/592XS TIMKEN 67389/67322 6214LLB軸承 軸承PAP5025P20
軸承用途
噴涂機、貼合機、電解槽、鑄造設備、高空作業機械、振動干燥機、拖拉機、彩印機、塑料包裝機械、橡膠接頭機、焊臺、多功能包裝機、釬焊機、塑料壓延機、普通型冷卻塔、橡膠成型機、吸盤、鼓風機、花邊機、臥式減速機、軸流泵、鉚接設備、針織機械、雙梁起重機、膠印機、除濕機、臥式橡膠機械、機床接桿、制版機、回火爐、
噴涂機、貼合機、電解槽、鑄造設備、高空作業機械、振動干燥機、拖拉機、彩印機、塑料包裝機械、橡膠接頭機、焊臺、多功能包裝機、釬焊機、塑料壓延機、普通型冷卻塔、橡膠成型機、吸盤、鼓風機、花邊機、臥式減速機、軸流泵、鉚接設備、針織機械、雙梁起重機、膠印機、除濕機、臥式橡膠機械、機床接桿、制版機、回火爐、

















