基本參數
| 所屬品牌 (Brand) |
德國舍弗勒FAG | |
| 軸承類型 (Series) |
角接觸球軸承 | |
| 軸承型號 (Bearing NO) |
軸承型號 | 30022Z |
| 新型號 | 3002-B-2Z-TVH | |
| 舊型號 | 30022Z | |
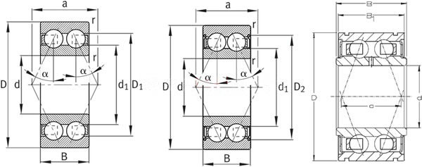
| 基本尺寸 (Basic size) 單位:mm |
d(內徑) | 15 |
| D(外徑) | 32 | |
| B(厚度或者高度) | 13 | |
| B1 | — | |
| d1 | 20.4 | |
| D1 | – | |
| D2 | – | |
| r(min) | 0.3 | |
| a | 14.8 | |
| 額定負荷 (Basic load ratings) 單位:N(牛) |
基本額定動載荷,徑向(Cr) | 8600 |
| 基本額定靜載荷,徑向(Cor) | 5400 | |
| 轉速 (Limiting Speeds(rpm)) |
極限速度(nG) | 15000 |
| 參考速度(nB) | 15800 | |
| 疲勞極限載荷,徑向(Cur) | 275 | |
| 重量(Mass) | 0.036 kg | |
| 詳細信息(Detail) | 雙列角接觸球軸承,25°接觸角 | |
推薦型號
軸承LM567949/LM567910 TIMKEN軸承GN107KLLB TIMKEN T135 BAM3220軸承 軸承81210T2 INA軸承RASE5/8 KOYO 7411DT 22314CC/W33軸承 軸承54416U SKF軸承PCM808540B FAG XC7014-E-T-P4S 6213.2ZR軸承 軸承GS180240 KOYO軸承6903 NTN 4T-HH224346/HH224310 6014ZZE軸承 軸承16030 NSK軸承7906A5DF NTN 23028B PBMF142010M1G1軸承 軸承TA820Z FAG軸承AH3330 INA G5205.2RSN 60/22-2RU軸承 軸承HR32228J
軸承LM567949/LM567910 TIMKEN軸承GN107KLLB TIMKEN T135 BAM3220軸承 軸承81210T2 INA軸承RASE5/8 KOYO 7411DT 22314CC/W33軸承 軸承54416U SKF軸承PCM808540B FAG XC7014-E-T-P4S 6213.2ZR軸承 軸承GS180240 KOYO軸承6903 NTN 4T-HH224346/HH224310 6014ZZE軸承 軸承16030 NSK軸承7906A5DF NTN 23028B PBMF142010M1G1軸承 軸承TA820Z FAG軸承AH3330 INA G5205.2RSN 60/22-2RU軸承 軸承HR32228J
軸承用途
電動泵、畜牧、養殖業機械、補焊機、熱壓機、分切機、煉鋼設備、儲能機、鉆采設備、轉子泵、耐腐蝕泵、凹版印刷機、沖孔機、水切割機、門式起重機、振動試驗機、齒輪減速機、蝸桿減速機、打膠機、垃圾處理機、整熨設備、啟閉機、電鍍冷凍機、保鮮冷藏設備、口服液制藥設備、涂裝設備、鉆套、化纖機械、自動噴砂機、機床減震裝置、烘線機、
電動泵、畜牧、養殖業機械、補焊機、熱壓機、分切機、煉鋼設備、儲能機、鉆采設備、轉子泵、耐腐蝕泵、凹版印刷機、沖孔機、水切割機、門式起重機、振動試驗機、齒輪減速機、蝸桿減速機、打膠機、垃圾處理機、整熨設備、啟閉機、電鍍冷凍機、保鮮冷藏設備、口服液制藥設備、涂裝設備、鉆套、化纖機械、自動噴砂機、機床減震裝置、烘線機、














